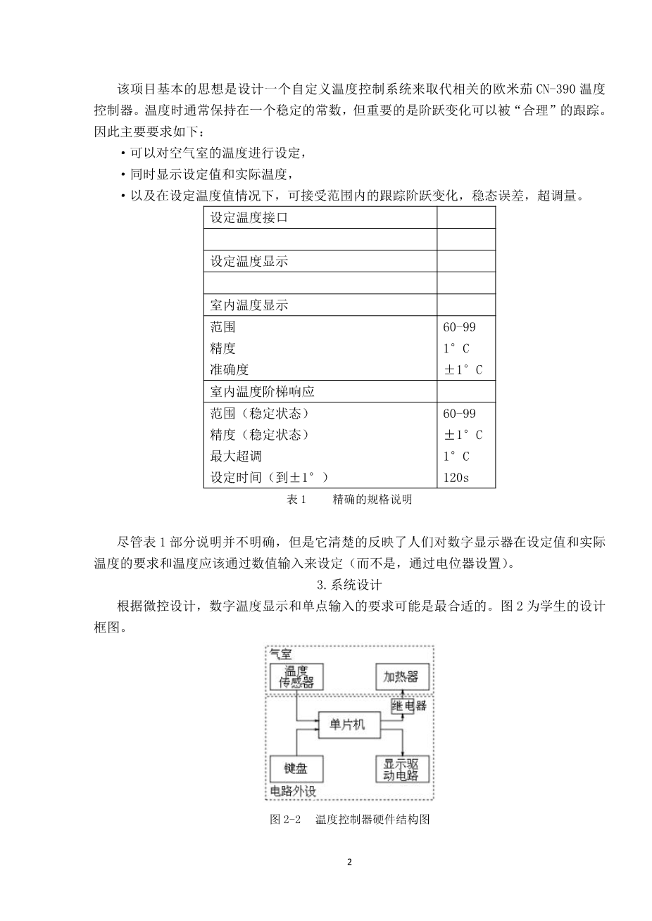
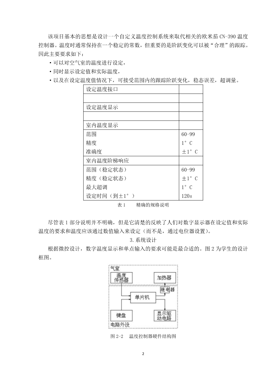
基于单片机的食盐碘含量测控系统设计外文翻译资料 2022-03-25 19:58:07 英语原文共 12 页,剩余内容已隐藏,支付完成后下载完整资料 英语译文共 9 页,剩余内容已隐藏,支付完成后下载完整资料资料编号:[484572],资料为PDF文档或Word文档,PDF文档可免费转换为Word 原文和译文剩余内容已隐藏,您需要先支付 30元 才能查看原文和译文全部内容!立即支付 发小红书推广免费获取该资料资格。点击链接进入获取推广文案即可: Ai一键组稿 | 降AI率 | 降重复率 | 论文一键排版 PREVIOUS NEXT 您可能感兴趣的文章 精益和自动化生产及物流外文翻译资料 精益自动化生产和物流外文翻译资料 精益化和自动化的制造和物流外文翻译资料 精益自动化的制造和物流外文翻译资料 生产与物流的精益化和自动化外文翻译资料 无刷直流电机闭环速度控制原型设计与实现方法外文翻译资料 无线HART网络控制外文翻译资料 基于单片机的智能鱼缸的设计外文翻译资料 基于单片机的盆花自动浇水控制系统设计外文翻译资料 基于PLC的空气循环净化系统外文翻译资料