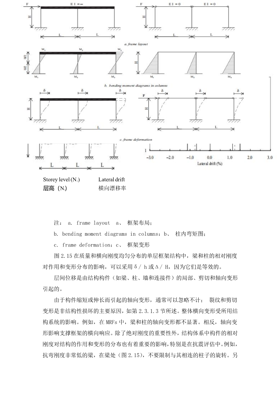
苏州市工业园区科技园公寓搂外文翻译资料 2022-03-14 21:10:36 英语原文共 8 页,剩余内容已隐藏,支付完成后下载完整资料 英语译文共 10 页,剩余内容已隐藏,支付完成后下载完整资料资料编号:[418818],资料为PDF文档或Word文档,PDF文档可免费转换为Word 原文和译文剩余内容已隐藏,您需要先支付 30元 才能查看原文和译文全部内容!立即支付 发小红书推广免费获取该资料资格。点击链接进入获取推广文案即可: Ai一键组稿 | 降AI率 | 降重复率 | 论文一键排版 PREVIOUS NEXT 您可能感兴趣的文章 张家港高校土木实验楼设计外文翻译资料 拱坝-地基系统的地震稳定性评估外文翻译资料 不同载荷配置和边界条件下梁板系统在渐进倒塌下的张拉膜作用研究外文翻译资料 节理岩体强度折减模型及单轴压缩试验的近动力模拟外文翻译资料 Herglotz型时滞Hamilton系统的 Noether对称性与守恒量外文翻译资料 时间尺度上的时滞非保守系统的Noether定理外文翻译资料 时滞非完整系统的Noether定理外文翻译资料 受到小于欧拉临界力时纵向压杆的屈曲问题外文翻译资料 分析了等强度复合型材料弯曲问题的正确性外文翻译资料 自然火灾下钢结构的试验性能外文翻译资料