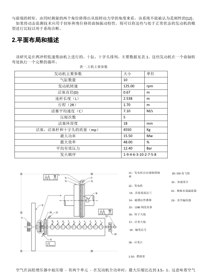
发动机各缸不均匀故障性的神经网络判断外文翻译资料 2022-07-19 19:58:57 英语原文共 19 页,剩余内容已隐藏,支付完成后下载完整资料 英语原文共 22 页,剩余内容已隐藏,支付完成后下载完整资料资料编号:[9064],资料为PDF文档或Word文档,PDF文档可免费转换为Word 原文和译文剩余内容已隐藏,您需要先支付 30元 才能查看原文和译文全部内容!立即支付 发小红书推广免费获取该资料资格。点击链接进入获取推广文案即可: Ai一键组稿 | 降AI率 | 降重复率 | 论文一键排版 PREVIOUS NEXT 您可能感兴趣的文章 9000吨供油船机舱设备选型与热平衡分析外文翻译资料 沿海高速客船机舱设备选型及经济性分析外文翻译资料 海.上溢油应急技术外文翻译资料 可变压缩比柴油发动机的效率和生态特征外文翻译资料 高速船 第4部分 船舶系统和设备外文翻译资料 14平衡常数 外文翻译资料 敞水中空化螺旋桨和喷嘴式全 回转推进器的CFD研究外文翻译资料 生物燃料及其二元(柴油-生物柴油)和三元(乙醇生物柴 油-柴油)混合燃料在内燃机减排上的作用外文翻译资料 游轮发电厂优化和比较分析外文翻译资料 内燃机最优放热率计算外文翻译资料