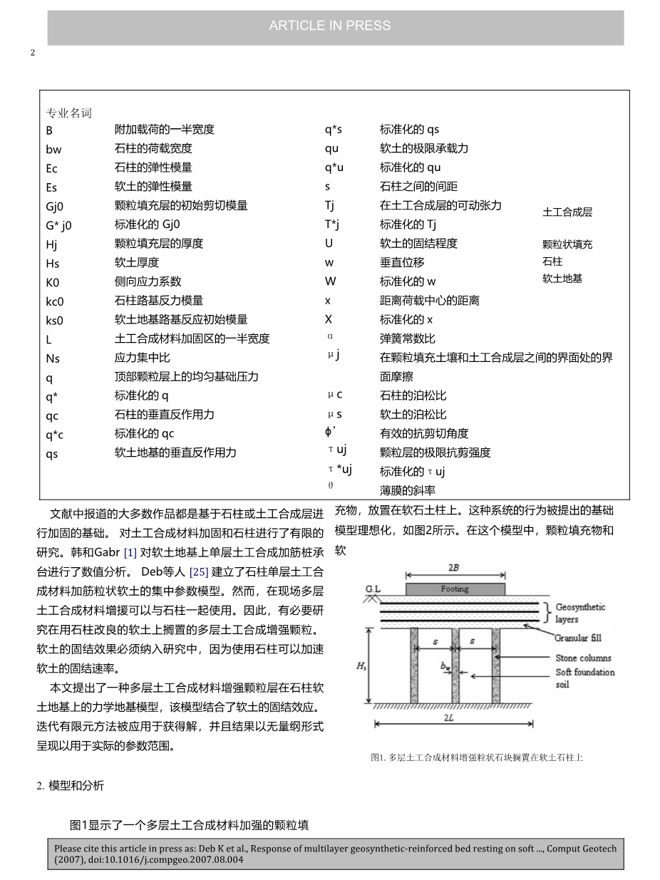
某盐碱地段(A13)道路设计及软基路段详细设计外文翻译资料 2022-03-15 20:40:37 英语原文共 8 页,剩余内容已隐藏,支付完成后下载完整资料 英语原文共 8 页,剩余内容已隐藏,支付完成后下载完整资料资料编号:[16174],资料为PDF文档或Word文档,PDF文档可免费转换为Word 原文和译文剩余内容已隐藏,您需要先支付 30元 才能查看原文和译文全部内容!立即支付 发小红书推广免费获取该资料资格。点击链接进入获取推广文案即可: Ai一键组稿 | 降AI率 | 降重复率 | 论文一键排版 PREVIOUS NEXT 您可能感兴趣的文章 一块钢筋混凝土板的长期振动监测:温度和湿度的影响外文翻译资料 基于应力影响线的大跨度桥梁结构损伤识别研究外文翻译资料 4.6钢筋混凝土桥面板设计外文翻译资料 钢-混组合连续梁施工过程分析|外文翻译资料 二杆桁架结构几何非线性行为分析外文翻译资料 利用分子仿真模型沥青的性能分析外文翻译资料 不同损伤条件下严重损坏的钢筋混凝土柱的快速修复的实验研究外文翻译资料 沉管灌注桩的施工控制可靠性外文翻译资料 结合桥梁与隧道的高速公路线形优化外文翻译资料 斜拉桥的屈曲稳定性的简化评估外文翻译资料