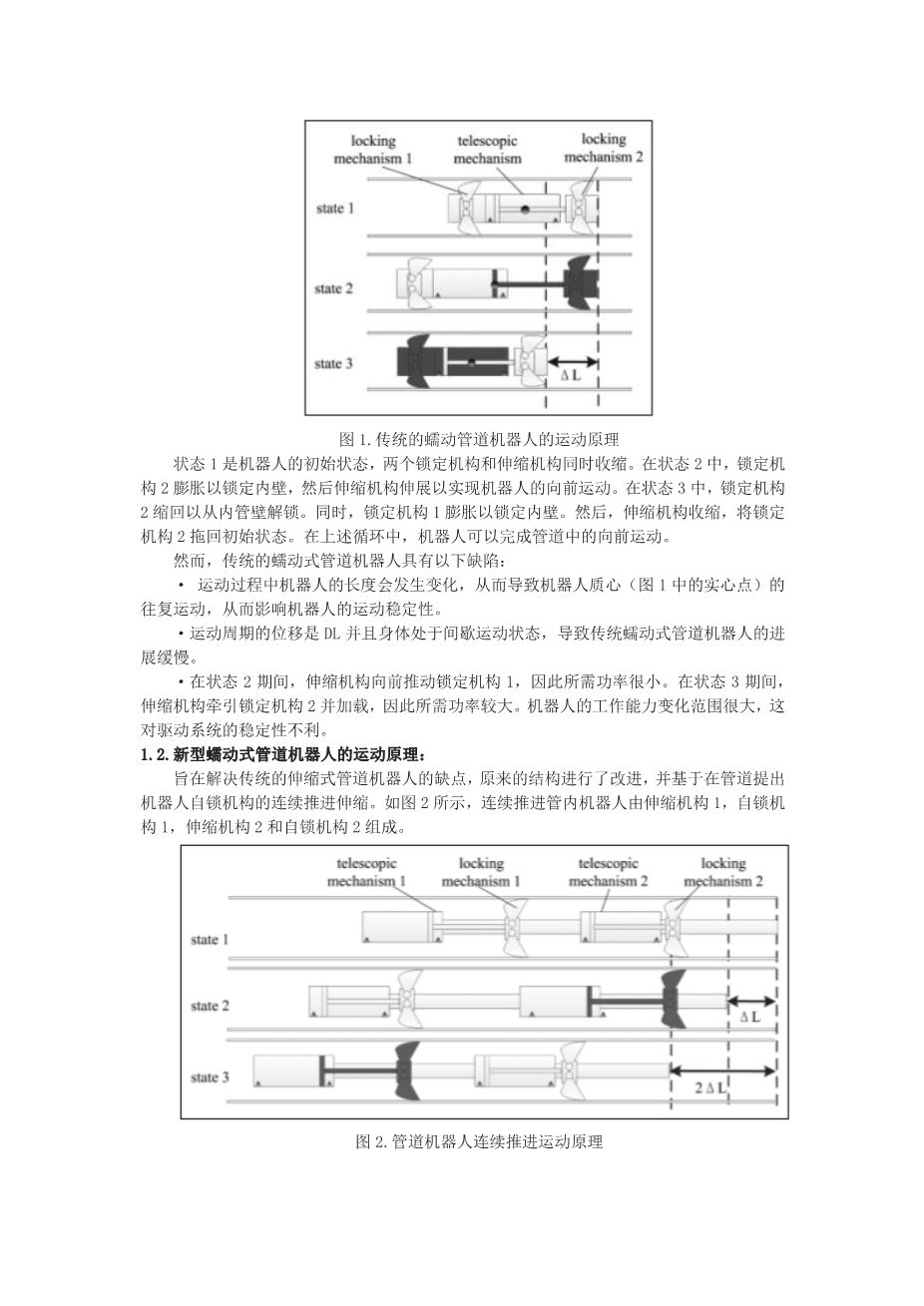
机器人关节电机自锁机构设计外文翻译资料 2022-07-20 19:31:05 英语原文共 11 页,剩余内容已隐藏,支付完成后下载完整资料 英语原文共 13 页,剩余内容已隐藏,支付完成后下载完整资料资料编号:[8887],资料为PDF文档或Word文档,PDF文档可免费转换为Word 原文和译文剩余内容已隐藏,您需要先支付 30元 才能查看原文和译文全部内容!立即支付 发小红书推广免费获取该资料资格。点击链接进入获取推广文案即可: Ai一键组稿 | 降AI率 | 降重复率 | 论文一键排版 PREVIOUS NEXT 您可能感兴趣的文章 流化床包衣造粒过程的监测与控制研究外文翻译资料 一种新颖的旋转流化床包衣细颗粒涂层的方法外文翻译资料 中国城市垃圾的处理和管理外文翻译资料 滤袋、气旋、和湿式除尘方法在真空吸尘器中的比较外文翻译资料 一个灵活的模型辗环机设计外文翻译资料 带有柔性转子的主动电磁轴承系统的识别外文翻译资料 柔性阻尼支承下转子振动特性实验外文翻译资料 MapReduce:超大集群上的数据简化处理外文翻译资料 垂直循环式立体车库的停车与乘车调度优化外文翻译资料 高灵敏度、高稳定性的自温度补偿电涡流位移传感器外文翻译资料